legines.com
หรั่ง
702 Flare Union Tee Fittings

702 Flare Union Tee Fittings

คุณสมบัติของผลิตภัณฑ์:
การก่อสร้างทองเหลืองทั้งหมด
UL จดทะเบียนสำหรับของเหลวและก๊าซไวไฟ
ตรงตามข้อกำหนดการทำงานของ SAE J512
ถั่วเหล็กสำหรับเศรษฐกิจ

ตลาด: แอปพลิเคชัน:
เครื่องปรับอากาศ สายสารทำความเย็น
นาวิกโยธิน สายเบรก
มือถือ สายเชื้อเพลิง
เครื่องยนต์

ท่อที่เข้ากันได้:
ทองแดง
ทองเหลือง
อลูมิเนียม
ท่อไฮดรอลิกเหล็ก

ส่วนอ้างอิงหมายเลข:
244ifhd -702 -441

ติดต่อเรา

ข้อกำหนด

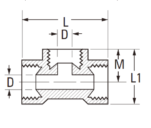
ส่วนหนึ่ง#

Tube O.d

D

ม.

l

702-2 1/8 .078 .330 .94
702-3 3/16 .125 .390 1.09
702-4 1/4 .188 .420 1.13
702-5 5/16 .219 .450 1.25
702-6 3/8 .281 .560 1.48
702-8 1/2 .406 .937 1.76

*Ref.SAE No.040401 BA

Flare Union Tee Tee Fitting ใช้เพื่อเชื่อมต่อสองหลอด การติดตั้งนี้ช่วยให้การไหลจากการเชื่อมต่อเดียวเพื่อออกจากการเชื่อมต่อตรงข้ามโดยไม่ลดแรงดันหรือการไหล มันมีการก่อสร้างทองเหลืองที่เชื่อมต่อกันอย่างเต็มที่และมีการออกแบบที่สอดคล้องกับ SAE J512 ช่วยให้สามารถต้านทานการกัดกร่อน Tee Union Flare Union สามารถใช้ในการใช้งานเชิงพาณิชย์และอุตสาหกรรมเช่นเครื่องปรับอากาศสายสารทำความเย็นเครื่องยนต์ทางทะเลสายเบรกและสายเชื้อเพลิงมือถือ
อุปกรณ์ที 702 กลับด้านของเราทำจากทองเหลืองและเป็นไปตามข้อกำหนดของ SAE J512 มันมีน็อตเหล็กสำหรับเศรษฐกิจสามารถใช้ในสายของสารป้องกันการแข็ง

ติดต่อกับเรา

เกี่ยวกับ ขากรรไกร

Legines Industrial Machinery Inc.

ในฐานะผู้ผลิตอุปกรณ์ติดตั้งทองเหลืองจีนมืออาชีพและผลักดันให้ซัพพลายเออร์อุปกรณ์เข้าใช้เครื่องจักรกลการตัดเฉือน CNC เต็มรูปแบบและเป็นเจ้าของพื้นที่การประชุมเชิงปฏิบัติการ 3600 ตารางเมตร 45 เครื่องมือเครื่องจักรอัตโนมัติเครื่องมือเครื่องจักรซีเอ็นซีแบบกึ่งอัตโนมัติ 35 ตัวรวมถึงผู้จัดจำหน่ายที่กลายเป็นซัพพลายเออร์ที่สำคัญสำหรับการผลิตชิ้นส่วนทองเหลืองมาตรฐานอเมริกันในประเทศจีน ...
  • ให้เกียรติ
  • ให้เกียรติ

คำแนะนำ & ข่าว