legines.com
หรั่ง
105 เหล็กน็อตหลอดไฟที่เหมาะสม

105 เหล็กน็อตหลอดไฟที่เหมาะสม

คุณสมบัติของผลิตภัณฑ์:
การก่อสร้างทองเหลืองทั้งหมด
UL จดทะเบียนสำหรับของเหลวและก๊าซไวไฟ
ตรงตามข้อกำหนดการทำงานของ SAE J512
ถั่วเหล็กสำหรับเศรษฐกิจ

ตลาด: แอปพลิเคชัน:
เครื่องปรับอากาศ สายสารทำความเย็น
นาวิกโยธิน สายเบรก
มือถือ สายเชื้อเพลิง
เครื่องยนต์

ท่อที่เข้ากันได้:
ทองแดง
ทองเหลือง
อลูมิเนียม
ท่อไฮดรอลิกเหล็ก

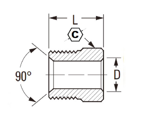
ส่วนอ้างอิงหมายเลข:
2015 -411FS -105 -41W

ติดต่อเรา

ข้อกำหนด

ส่วนหนึ่ง#

Tube O.d

C

D

l

105-3

3/16 5/16 .196

.56

105-4

1/4 3/8 .259 .56

105-5

5/16 7/16 .321 .62

105-6

3/8 5/8 .384 .66

105-8

1/2

3/4

.508

.74

105-10

5/8

7/8

.632

.80

105-12

3/4

1-1/16

.757

.88

105 ซีรี่ส์เป็น Flare Flare ที่มีต้นทุนต่ำ มันทำจากทองเหลืองและมีคุณสมบัติของของเหลวที่ติดไฟได้และสายก๊าซ 105 ซีรี่ส์รวมถึงถั่วเหล็กสำหรับเศรษฐกิจซึ่งมีอยู่ในหลาย ๆ ขนาด นอกจากนี้ยังมีความเข้ากันได้กับวัสดุท่อจำนวนมากรวมถึงทองแดงทองเหลืองอลูมิเนียมและท่อไฮดรอลิกเหล็กเชื่อม
หมายเลขส่วน: 2015 - 411FS - 105 - 41W ผลิตโดย Miller Welder เพื่อช่วยให้สภาพแวดล้อมทางอุตสาหกรรมและการค้าปลอดภัยยิ่งขึ้นมีประสิทธิภาพและราคาไม่แพงมากขึ้น หมายเลขส่วน: 2015 - 411FS - 105 - 41W ได้รับการจัดอันดับ UL สำหรับของเหลวและก๊าซไวไฟ ผลิตภัณฑ์นี้ทำจากทองเหลืองเกรดสูงที่จะไม่กัดกร่อนหรือเป็นสนิม
Flare Nut Flare ของท่อเหล็ก 105 ตัวนำเสนอผลิตภัณฑ์ที่ยาวนานด้วยการติดตั้ง NPT ตัวผู้ 1/2 "และเปลวไฟ 3/8" มันทำจากคุณภาพสูงการก่อสร้างทองเหลืองทั้งหมดการประชุมหรือเกินรหัสที่เกี่ยวข้องทั้งหมดของ ANSI B16.11 และ SAE J512 ผลิตภัณฑ์นี้ได้รับการออกแบบมาเพื่อใช้ในแอปพลิเคชันต่อไปนี้: เครื่องปรับอากาศ (รวมถึงสาย AC ยานยนต์) สายสารทำความเย็นและสายน้ำมันสารทำความเย็น, ทะเล, สายเบรก, สายเชื้อเพลิงเคลื่อนที่, เครื่องยนต์ ฯลฯ
3/4 "x 3/4" x 8 "Flare Flare Flare พร้อมปะเก็นซีลแรงดันสามารถช่วยให้คุณได้รับความน่าเชื่อถือความทนทานและความปลอดภัยที่คุณต้องการจากสายท่ออุตสาหกรรมของคุณร่างกายที่มีการหล่อและทองเหลืองที่เป็นของแข็ง

ติดต่อกับเรา

เกี่ยวกับ ขากรรไกร

Legines Industrial Machinery Inc.

ในฐานะผู้ผลิตอุปกรณ์ติดตั้งทองเหลืองจีนมืออาชีพและผลักดันให้ซัพพลายเออร์อุปกรณ์เข้าใช้เครื่องจักรกลการตัดเฉือน CNC เต็มรูปแบบและเป็นเจ้าของพื้นที่การประชุมเชิงปฏิบัติการ 3600 ตารางเมตร 45 เครื่องมือเครื่องจักรอัตโนมัติเครื่องมือเครื่องจักรซีเอ็นซีแบบกึ่งอัตโนมัติ 35 ตัวรวมถึงผู้จัดจำหน่ายที่กลายเป็นซัพพลายเออร์ที่สำคัญสำหรับการผลิตชิ้นส่วนทองเหลืองมาตรฐานอเมริกันในประเทศจีน ...
  • ให้เกียรติ
  • ให้เกียรติ

คำแนะนำ & ข่าว