legines.com
หรั่ง
302 Brass Brake Line Union Fitting

302 Brass Brake Line Union Fitting

คุณสมบัติของผลิตภัณฑ์:
การก่อสร้างทองเหลืองทั้งหมด
UL จดทะเบียนสำหรับของเหลวและก๊าซไวไฟ
ตรงตามข้อกำหนดการทำงานของ SAE J512
ถั่วเหล็กสำหรับเศรษฐกิจ

ตลาด: แอปพลิเคชัน:
เครื่องปรับอากาศ สายสารทำความเย็น
นาวิกโยธิน สายเบรก
มือถือ สายเชื้อเพลิง
เครื่องยนต์

ท่อที่เข้ากันได้:
ทองแดง
ทองเหลือง
อลูมิเนียม
ท่อไฮดรอลิกเหล็ก

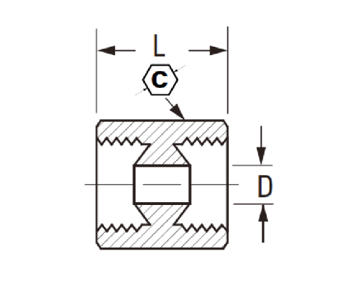
ส่วนอ้างอิงหมายเลข:
302 -2300 -42ifhd

ติดต่อเรา

ข้อกำหนด

ส่วนหนึ่ง#

inv.flare × inv.flare

C

d

l

302-2

1/8 13/32 .78

.59

302-3

3/16 15/32 .125

.62

302-4 1/4 17/32 .188 .62

302-5

5/16 19/32 .219 .70

302-6

3/8 3/4 .281 .80
302-8 1/2

29/32

.406

.91

*Ref.SAE No.040101 BA

การติดตั้งยูเนี่ยนนี้ใช้สำหรับแอพพลิเคชั่นทุกประเภทเช่นสายเครื่องปรับอากาศสายสารทำความเย็นสายการเดินเรือสายเชื้อเพลิงมือถือเครื่องยนต์และการส่งสัญญาณ มันประกอบด้วยการก่อสร้างทองเหลืองและมีถั่วเหล็กสำหรับเศรษฐกิจ
การติดตั้งยูเนี่ยนเส้นที่ยืดหยุ่นของทองเหลือง 302 ชุดใช้เพื่อเชื่อมต่อส่วนของท่อกับเปลวไฟ ซีรีส์ 302 เหมาะสำหรับสายเบรกสายเชื้อเพลิงและสายแช่แข็ง น็อตเหล็กใช้เพื่อรักษาความปลอดภัยของการรวมกันของสาย 302-Series ได้รับการออกแบบมาเพื่อใช้กับท่อทองแดงและอลูมิเนียม
การติดตั้งยูเนี่ยนทองเหลืองนี้ช่วยให้คุณสามารถเชื่อมต่อส่วนของท่อได้อย่างรวดเร็วและน่าเชื่อถือ มันทำจากทองเหลืองซึ่งทนความร้อนและปราศจากการกัดกร่อน มันง่ายต่อการติดตั้งด้วยปะเก็นยาง Norprene ที่ให้ซีลแน่นระหว่างอุปกรณ์ปลายด้านปลายลดการรั่วไหลหรือการรั่วไหล การติดตั้งยูเนี่ยนเข้ากันได้กับท่อที่ทำจากทองแดงทองเหลืองหรืออลูมิเนียม
สหภาพนี้ให้วิธีการสำหรับการเชื่อมต่อของท่อสองชิ้น ร่างกายหลักทำจากทองเหลืองด้วยถั่วเหล็กเพื่อเศรษฐกิจ ทางเข้า studded ที่ถูกเกลียวเป็นหนึ่งหลอดพอดีกับร่องในร่างกายของการปรับยูเนี่ยนและเปลี่ยนไปเป็นเปลวไฟทองเหลือง หลอดที่สองจะผ่านร่องภายนอกเพื่อยึดอย่างแน่นหนาโดยพินภายในซึ่งอาจถูกวางไว้ในร่องของตัวเองหากต้องการ

ติดต่อกับเรา

เกี่ยวกับ ขากรรไกร

Legines Industrial Machinery Inc.

ในฐานะผู้ผลิตอุปกรณ์ติดตั้งทองเหลืองจีนมืออาชีพและผลักดันให้ซัพพลายเออร์อุปกรณ์เข้าใช้เครื่องจักรกลการตัดเฉือน CNC เต็มรูปแบบและเป็นเจ้าของพื้นที่การประชุมเชิงปฏิบัติการ 3600 ตารางเมตร 45 เครื่องมือเครื่องจักรอัตโนมัติเครื่องมือเครื่องจักรซีเอ็นซีแบบกึ่งอัตโนมัติ 35 ตัวรวมถึงผู้จัดจำหน่ายที่กลายเป็นซัพพลายเออร์ที่สำคัญสำหรับการผลิตชิ้นส่วนทองเหลืองมาตรฐานอเมริกันในประเทศจีน ...
  • ให้เกียรติ
  • ให้เกียรติ

คำแนะนำ & ข่าว