legines.com
หรั่ง
น็อตท่อพอดีกับเปลวไฟทองเหลือง 100 ตัว

น็อตท่อพอดีกับเปลวไฟทองเหลือง 100 ตัว

คุณสมบัติของผลิตภัณฑ์:
การก่อสร้างทองเหลืองทั้งหมด
UL จดทะเบียนสำหรับของเหลวและก๊าซไวไฟ
ตรงตามข้อกำหนดการทำงานของ SAE J512
ถั่วเหล็กสำหรับเศรษฐกิจ

ตลาด: แอปพลิเคชัน:
เครื่องปรับอากาศ สายสารทำความเย็น
นาวิกโยธิน สายเบรก
มือถือ สายเชื้อเพลิง
เครื่องยนต์

ท่อที่เข้ากันได้:
ทองแดง
ทองเหลือง
อลูมิเนียม
ท่อไฮดรอลิกเหล็ก

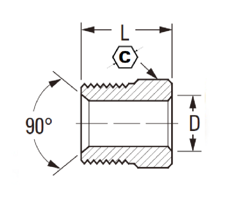
ส่วนอ้างอิงหมายเลข:
2100 41if -100 -41iB

ติดต่อเรา

ข้อกำหนด

ส่วนหนึ่ง#

Tube O.d

C

D

l

100-3

3/16 3/8 .196

.56

100-4

1/4 7/16 .259 .56

100-5

5/16 1/2 .321 .62

100-6

3/8 5/8 .384 .66

100-8

1/2

3/4

.508

.74

*Ref.SAE No.040110 BA

ความแข็งแรงและประหยัดการติดตั้งเปลวไฟกลับด้านนี้ทำจากทองเหลือง การติดตั้งรวมถึงน็อตเหล็กเพื่อความปลอดภัยและสามารถใช้กับท่อทองแดงทองเหลืองหรืออลูมิเนียม มันตรงตามข้อกำหนดการทำงานทั้งหมดของ SAE J512
การก่อสร้าง All-Brass, 100% ASME B16.28, SAE J512 & SAE J5195.0 อุปกรณ์คอมเพรสเซอร์ได้รับการออกแบบมาเพื่อใช้ในการใช้งานที่อุณหภูมิสูงของไอน้ำและน้ำ ความเข้ากันได้ของท่อพัดสามารถเชื่อมต่อกับท่อเหล็กหรือท่อได้สูงสุด 1 นิ้ว (25 มิลลิเมตร)
น็อตหลอดไฟที่ติดตั้งกลับหัวกลับด้านนี้รู้จักกันทั่วไปว่าเป็นตัวเชื่อมต่อถูกออกแบบมาเพื่อเชื่อมต่อท่อสองชิ้นในระนาบเดียวกัน การติดตั้งใช้น็อตเหล็กที่มีปลายเปลวไฟซึ่งเหมาะกับการติดตั้งเปลวไฟตัวเมียที่ปลายอีกด้านของหลอด อุปกรณ์เหล่านี้ใช้อย่างกว้างขวางในแอปพลิเคชันหลายประเภทตั้งแต่เครื่องปรับอากาศไปจนถึงเครื่องยนต์ดีเซลทางทะเลและมือถือ
หนักหน้าที่ - อุปกรณ์ติดตั้งแบบกลับด้านเหล่านี้ทำจากทองเหลืองทั้งหมดและได้รับการออกแบบมาเป็นพิเศษเพื่อใช้กับท่อทองแดงหรืออลูมิเนียม การปรับแต่ละแบบนั้นสามารถปรับได้อย่างสมบูรณ์และการก่อสร้างที่หนักหน่วงทำให้มั่นใจได้ถึงความทนทานระหว่างการใช้งาน

ติดต่อกับเรา

เกี่ยวกับ ขากรรไกร

Legines Industrial Machinery Inc.

ในฐานะผู้ผลิตอุปกรณ์ติดตั้งทองเหลืองจีนมืออาชีพและผลักดันให้ซัพพลายเออร์อุปกรณ์เข้าใช้เครื่องจักรกลการตัดเฉือน CNC เต็มรูปแบบและเป็นเจ้าของพื้นที่การประชุมเชิงปฏิบัติการ 3600 ตารางเมตร 45 เครื่องมือเครื่องจักรอัตโนมัติเครื่องมือเครื่องจักรซีเอ็นซีแบบกึ่งอัตโนมัติ 35 ตัวรวมถึงผู้จัดจำหน่ายที่กลายเป็นซัพพลายเออร์ที่สำคัญสำหรับการผลิตชิ้นส่วนทองเหลืองมาตรฐานอเมริกันในประเทศจีน ...
  • ให้เกียรติ
  • ให้เกียรติ

คำแนะนำ & ข่าว