legines.com
หรั่ง
502 ข้อศอกสหภาพ Flare Flare

502 ข้อศอกสหภาพ Flare Flare

คุณสมบัติของผลิตภัณฑ์:
การก่อสร้างทองเหลืองทั้งหมด
UL จดทะเบียนสำหรับของเหลวและก๊าซไวไฟ
ตรงตามข้อกำหนดการทำงานของ SAE J512
ถั่วเหล็กสำหรับเศรษฐกิจ

ตลาด: แอปพลิเคชัน:
เครื่องปรับอากาศ สายสารทำความเย็น
นาวิกโยธิน สายเบรก
มือถือ สายเชื้อเพลิง
เครื่องยนต์

ท่อที่เข้ากันได้:
ทองแดง
ทองเหลือง
อลูมิเนียม
ท่อไฮดรอลิกเหล็ก

ส่วนอ้างอิงหมายเลข:
502 -450

ติดต่อเรา

ข้อกำหนด

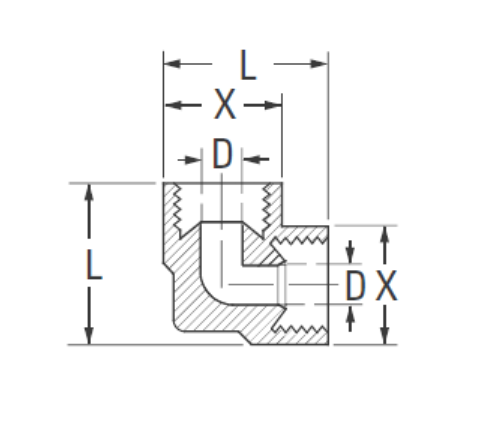
ส่วนหนึ่ง#

Tube O.d

D

ม.

l

502-4 1/4 .188 .53 .77
*502-5 5/16 .219 .59 .86
*502-6 3/8 .281 .72 1.04

*ไม่ใช่มาตรฐาน

*Ref.SAE No.040201 BA

Elbow Flare Union 502 Inverted เป็นสหภาพเปลวไฟที่ให้การเชื่อมต่อที่เข้ากันได้ในระดับสากลสำหรับท่อที่ด้านล่างของส่วน มันมีการก่อสร้างทองเหลืองทั้งหมดเป็น UL ที่ระบุไว้สำหรับของเหลวและก๊าซไวไฟและตรงตามข้อกำหนดการทำงานของ SAE J512 ถั่วเหล็กสำหรับเศรษฐกิจโปรดตรวจสอบหมายเลขอ้างอิง
ข้อศอกยูเนี่ยนนี้เป็นอุปกรณ์ประปาที่ใช้ในการทำความเย็นและระบบปรับอากาศ โดยทั่วไปแล้วจะเชื่อมต่อกับท่อทองแดงเงินหรือทองเหลือง อุปกรณ์ที่มีการบานรวมถึงรูระบายน้ำเพื่อช่วยระบายการควบแน่นจากท่อ

ติดต่อกับเรา

เกี่ยวกับ ขากรรไกร

Legines Industrial Machinery Inc.

ในฐานะผู้ผลิตอุปกรณ์ติดตั้งทองเหลืองจีนมืออาชีพและผลักดันให้ซัพพลายเออร์อุปกรณ์เข้าใช้เครื่องจักรกลการตัดเฉือน CNC เต็มรูปแบบและเป็นเจ้าของพื้นที่การประชุมเชิงปฏิบัติการ 3600 ตารางเมตร 45 เครื่องมือเครื่องจักรอัตโนมัติเครื่องมือเครื่องจักรซีเอ็นซีแบบกึ่งอัตโนมัติ 35 ตัวรวมถึงผู้จัดจำหน่ายที่กลายเป็นซัพพลายเออร์ที่สำคัญสำหรับการผลิตชิ้นส่วนทองเหลืองมาตรฐานอเมริกันในประเทศจีน ...
  • ให้เกียรติ
  • ให้เกียรติ

คำแนะนำ & ข่าว