legines.com
หรั่ง
252 อุปกรณ์อะแดปเตอร์ตัวเมียกลับหัวกลับด้าน

252 อุปกรณ์อะแดปเตอร์ตัวเมียกลับหัวกลับด้าน

คุณสมบัติของผลิตภัณฑ์:
การก่อสร้างทองเหลืองทั้งหมด
UL จดทะเบียนสำหรับของเหลวและก๊าซไวไฟ
ตรงตามข้อกำหนดการทำงานของ SAE J512
ถั่วเหล็กสำหรับเศรษฐกิจ

ตลาด: แอปพลิเคชัน:
เครื่องปรับอากาศ สายสารทำความเย็น
นาวิกโยธิน สายเบรก
มือถือ สายเชื้อเพลิง
เครื่องยนต์

ท่อที่เข้ากันได้:
ทองแดง
ทองเหลือง
อลูมิเนียม
ท่อไฮดรอลิกเหล็ก

ส่วนอ้างอิงหมายเลข:
461FHD -252 -46W

ติดต่อเรา

ข้อกำหนด

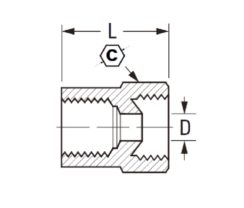
ส่วนหนึ่ง#

Tube O.d × Thread

C

D

l

252-3A

3/16 × 1/8 15/32 .125 .62

252-4A

1/4 × 1/8 17/32 .188 .62

252-5B

5/16 × 1/4 19/32 .220 .70

252-6B

3/8 × 1/4 3/4 .281 .80

252-8C

1/2 × 3/8 29/32 .406 .91

*Ref.SAE No.040103 BA

อะแดปเตอร์ Flare Flare ของทองเหลืองทั้งหมดนี้มีเปลวไฟกลับด้านสำหรับใช้กับอุปกรณ์ที่มีคุณสมบัติเป็นเอฟล็อตชายมาตรฐาน มันมีตราประทับที่เชื่อถือได้เพื่อป้องกันการรั่วไหลและได้รับการอนุมัติ SAE J512 แนะนำให้ใช้น็อตเหล็กสำหรับแอปพลิเคชันเศรษฐกิจซึ่งจะต้องถอดออกจากเปลวไฟติดตั้งอย่างถาวรหรือติดตั้งใหม่ในช่วงเวลาสั้น ๆ
ให้ความหลากหลายและความทนทานเป็นพิเศษ 252 ซีรี่ส์จะรองรับท่อที่มีเส้นผ่านศูนย์กลางภายนอก 3/16 ", 1/4", 5/16 "และ 3/8" สิ่งนี้ทำให้มั่นใจได้ว่ามันเข้ากันได้กับอุปกรณ์ถังทั้งหมดของคุณ คุณจะประทับใจกับการก่อสร้างที่ทนทานเพื่อให้มั่นใจว่าชีวิตที่ยาวนานไม่ว่าคุณจะใช้มันกี่ครั้งก็ตาม
การติดตั้งอะแดปเตอร์นี้ออกแบบมาเพื่อเชื่อมต่อท่อเข้ากับท่อและวาล์ว ทำจากทองเหลืองสิ่งที่เหมาะสมนี้ตรงตามมาตรฐานอุตสาหกรรมและได้รับการออกแบบมาเพื่อใช้ในแอพพลิเคชั่นยานยนต์และทางทะเล
อะแดปเตอร์ตัวเมียที่กลับหัวกลับด้านเป็นตัวต่อผู้หญิงที่เข้ากันได้กับท่อ NPT SAE 1/2 "และท่อ SAE 3/8" สร้างจากวัสดุที่ทนทานและออกแบบมาเพื่อการใช้งานอย่างกว้างขวางอุปกรณ์เหล่านี้เหมาะสำหรับบ้านหรือธุรกิจใด ๆ

ติดต่อกับเรา

เกี่ยวกับ ขากรรไกร

Legines Industrial Machinery Inc.

ในฐานะผู้ผลิตอุปกรณ์ติดตั้งทองเหลืองจีนมืออาชีพและผลักดันให้ซัพพลายเออร์อุปกรณ์เข้าใช้เครื่องจักรกลการตัดเฉือน CNC เต็มรูปแบบและเป็นเจ้าของพื้นที่การประชุมเชิงปฏิบัติการ 3600 ตารางเมตร 45 เครื่องมือเครื่องจักรอัตโนมัติเครื่องมือเครื่องจักรซีเอ็นซีแบบกึ่งอัตโนมัติ 35 ตัวรวมถึงผู้จัดจำหน่ายที่กลายเป็นซัพพลายเออร์ที่สำคัญสำหรับการผลิตชิ้นส่วนทองเหลืองมาตรฐานอเมริกันในประเทศจีน ...
  • ให้เกียรติ
  • ให้เกียรติ

คำแนะนำ & ข่าว