legines.com
หรั่ง
3325# ลดอุปกรณ์หัวหัวนมหกเหลี่ยม

3325# ลดอุปกรณ์หัวหัวนมหกเหลี่ยม

คุณสมบัติของผลิตภัณฑ์: ตลาด:
การก่อสร้างทองเหลืองทั้งหมด ทางอุตสาหกรรม
ตรงตามข้อกำหนดการทำงานของ การก่อสร้าง
SAE J530 และ SAE J531 รถบรรทุกหนัก
ด้ายที่ทำตามมาตรฐาน Dryseal มือถือ
ทั้งการตีลัง โรงงาน/กระบวนการอัตโนมัติ

แอปพลิเคชัน: ท่อที่เข้ากันได้:
สายลม ทองแดง
สายน้ำ ทองเหลือง
เส้นระบายความร้อน ท่อเหล็ก

ข้อมูลจำเพาะ:
ช่วงความดันสูงถึง 1,000 psi
ช่วงอุณหภูมิ-65˚ถึง250˚F

แอปพลิเคชันทั่วไป:
จาระบีเชื้อเพลิง, LP และก๊าซธรรมชาติ, ตู้เย็น, Instrumentation และระบบไฮดรอลิก

ความสอดคล้อง:
ตรงตามข้อกำหนดและมาตรฐานของ ASA, ASME และ SAE

ส่วนอ้างอิงหมายเลข:
216p -3325 -379 -122ah -122b

ติดต่อเรา

ข้อกำหนด

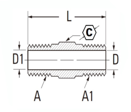
ส่วนหนึ่ง#

ขนาดด้าย

C

d

D1

l

3325L-AA

1/8 × 1/8

7/16

.219

.219

.91

3325-AA

1/8 × 1/8

7/16

.219

.219

.97

3325L-BA

1/4 × 1/8

9/16

.219

.219

1.00

3325-BA

1/4 × 1/8

91/6

.312

.219

1.19

3325L-BB

1/4 × 1/4

9/16

.312

.312

1.12

3325-BB

1/4 × 1/4

9/16

.312

.312

1.38

3325L-CA

3/8 × 1/8

11/16

.438

.219

1.11

3325-CA

3/8 × 1/8

11/16

.438

.219

1.22

3325L-CB

3/8 × 1/4

11/16

.438

.312

1.19

3325-CB

3/8 × 1/4

11/16

.438

.312

1.41

3325L-CC

3/8 × 3/8

11/16

.438

.438

1.25

3325-CC

3/8 × 3/8

11/16

.438

.438

1.41

3325L-DB

1/2 × 1/4

7/8

.562

.319

1.34

3325-DB

1/2 × 1/4

7/8

.562

.319

1.62

3325L-DC

1/2 × 3/8

7/8

.562

.438

1.41

3325-DC

1/2 × 3/8

7/8

.562

.438

1.62

3325L-DD

1/2 × 1/2

7/8

.662

.662

1.50

3325-DD

1/2 × 1/2

7/8

.562

.562

1.81

3325-ed

3/4 × 1/2

1-1/16

.750

.562

1.50

3325-ee

3/4 × 3/4

1-1/16

.750

.750

1.96

3325-hh

1 "× 1"

1-3/8

.960

.960

2.30

- l: แสง

*Ref.SAE No.130137

3325 ซีรี่ส์ของเราลดอุปกรณ์หัวหัวนม HEX ทำจากโลหะผสมทองเหลืองที่ปราศจากตะกั่ว 100% เรานำเสนอทั้งการตีลังกาและการอัดขึ้นรูปของการติดตั้งนี้ หัวนมแต่ละตัวผลิตขึ้นเพื่อตอบสนองความต้องการการทำงานของ SAE J530 หรือ SAE J531 ซึ่งเป็นตลาดรถบรรทุกหนักทั้งสองแห่ง Forged 3325 Series Pipe หัวนมมีให้เลือกทั้งในเธรดขนาดใหญ่และขนาดมาตรฐาน หัวนมเหล่านี้เข้ากันได้กับท่อทองแดงทองเหลืองและท่อเหล็กตั้งแต่¼” ถึง½” ตาราง 40 วิศวกรขายโรงงานของเราจะช่วยให้คุณแน่ใจว่าคุณมีงานที่เหมาะสมสำหรับงานของคุณ! การปรับขนาดท่อหัวนมลดขนาด 3325 ซีรี่ส์ใช้เพื่อลดขนาดท่อเส้นผ่านศูนย์กลางภายนอก ซีรี่ส์ 3325 มีการตีพิมพ์การก่อสร้างทองเหลืองและมาพร้อมกับการรับรอง NACE เช่นเดียวกับ A-607, AWS และ ASME Stamping Markings ที่ด้านหน้า มีอยู่ในแรงกดดันที่แตกต่างกันมากถึง 1,000 psi
การลดอุปกรณ์ท่อหัวนมหกเหลี่ยมเหมาะสำหรับการใช้งานส่วนใหญ่ พวกเขาให้การออกแบบการประหยัดพื้นที่ขนาดกะทัดรัดและใช้เพื่อเข้าร่วมระบบท่อด้วยกัน ตัวเชื่อมต่อชายและหญิงเหล่านี้ทำจากวัสดุทองเหลืองที่มีความแข็งแกร่งและติดตั้งด้ายกลึงที่แม่นยำเพื่อให้แน่ใจว่าการทำงานที่ราบรื่น

ติดต่อกับเรา

เกี่ยวกับ ขากรรไกร

Legines Industrial Machinery Inc.

ในฐานะผู้ผลิตอุปกรณ์ติดตั้งทองเหลืองจีนมืออาชีพและผลักดันให้ซัพพลายเออร์อุปกรณ์เข้าใช้เครื่องจักรกลการตัดเฉือน CNC เต็มรูปแบบและเป็นเจ้าของพื้นที่การประชุมเชิงปฏิบัติการ 3600 ตารางเมตร 45 เครื่องมือเครื่องจักรอัตโนมัติเครื่องมือเครื่องจักรซีเอ็นซีแบบกึ่งอัตโนมัติ 35 ตัวรวมถึงผู้จัดจำหน่ายที่กลายเป็นซัพพลายเออร์ที่สำคัญสำหรับการผลิตชิ้นส่วนทองเหลืองมาตรฐานอเมริกันในประเทศจีน ...
  • ให้เกียรติ
  • ให้เกียรติ

คำแนะนำ & ข่าว