legines.com
หรั่ง
3200# อุปกรณ์เสริมอะแดปเตอร์

3200# อุปกรณ์เสริมอะแดปเตอร์

คุณสมบัติของผลิตภัณฑ์: ตลาด:
การก่อสร้างทองเหลืองทั้งหมด ทางอุตสาหกรรม
ตรงตามข้อกำหนดการทำงานของ การก่อสร้าง
SAE J530 และ SAE J531 รถบรรทุกหนัก
ด้ายที่ทำตามมาตรฐาน Dryseal มือถือ
ทั้งการตีลัง โรงงาน/กระบวนการอัตโนมัติ

แอปพลิเคชัน: ท่อที่เข้ากันได้:
สายลม ทองแดง
สายน้ำ ทองเหลือง
เส้นระบายความร้อน ท่อเหล็ก

ข้อมูลจำเพาะ:
ช่วงความดันสูงถึง 1,000 psi
ช่วงอุณหภูมิ-65˚ถึง250˚F

แอปพลิเคชันทั่วไป:
จาระบีเชื้อเพลิง, LP และก๊าซธรรมชาติ, ตู้เย็น, Instrumentation และระบบไฮดรอลิก

ความสอดคล้อง:
ตรงตามข้อกำหนดและมาตรฐานของ ASA, ASME และ SAE

ส่วนอ้างอิงหมายเลข:
375 -222P -3200 -R1 -120AH -120B

ติดต่อเรา

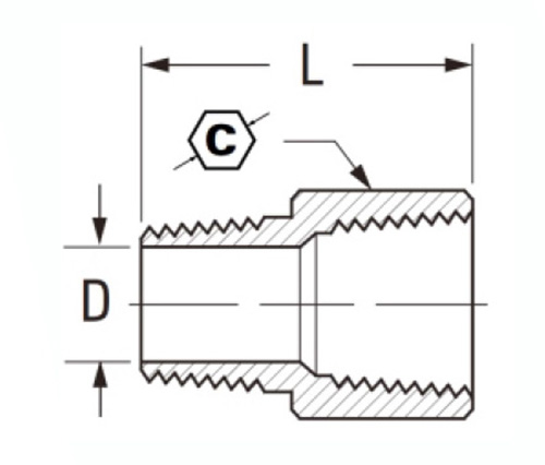
ข้อกำหนด

ส่วนหนึ่ง#

ขนาดด้าย

C

f

l

3200-AA

F1/8 × M1/8

1/2

.219

.88

3200L-AA

F1/8 × M1/8

9/16

.219

.83

3200-ba

F1/4 × M1/8

3/4

.219

1.06

3200L-BA

F1/4 × M1/8

11/16

.219

.94

3200LL-BA

F1/4 × M1/8

5/8

.219

.94

3200-BB

F1/4 × M1/4

3/4

.312

1.25

3200L-BB

F1/4 × M1/4

11/16

.312

1.00

3200LL-BB

F1/4 × M1/4

5/8

.312

1.00

3200-CA

F3/8 × M1/8

7/8

.219

1.00

3200-cb

F3/8 × M1/4

7/8

.312

1.25

3200L-CB

F3/8 × M1/4

13/16

.312

1.12

3200-CC

F3/8 × M3/8

7/8

.438

1.24

3200L-CC

F3/8 × M3/8

13/16

.438

1.12

3200-dB

F1/2 × M1/4

1-1/16

.312

1.46

3200-DC

F1/2 × M3/8

1-1/16

.438

1.47

3200L-DC

F1/2 × M3/8

15/16

.438

1.19

3200-DD

F1/2 × M1/2

1-1/16

.562

1.66

3200L-DD

F1/2 × M1/2

15/16

.562

1.31

3200-EC

F3/4 × M3/8

1-1/4

.438

1.59

3200-ED

F3/4 × M1/2

1-1/4

.563

1.69

3200-ee

F3/4 × M3/4

1-1/4

.750

1.69

*l: แสง

*REF.SAE No.130139

อุปกรณ์อะแดปเตอร์ทำจากทั้งการปลอมแปลงและการอัดขึ้นรูปและเข้ากันได้กับท่อที่หลากหลายรวมถึงสายอากาศสายน้ำ ฯลฯ SAE J530 และ SAE J531 เกลียวตรงตามข้อกำหนดการทำงานของตลาดรถบรรทุกหนัก เข้ากันได้กับท่อทองแดงและทองเหลืองผลิตภัณฑ์นี้สามารถจัดการช่วงความดันได้สูงถึง 1,000 psi อุปกรณ์ทั้งหมดทำใน USA.The 3200 Series - Series 200 Fittings Adapter โดย RSEs ได้รับการออกแบบมาเพื่อขยายความยาวของท่อ การก่อสร้างทองเหลืองที่ทนทานทั้งหมดทำให้ตัวเชื่อมต่อเหล่านี้เหมาะสำหรับแอพพลิเคชั่นอุตสาหกรรมรถบรรทุกและมือถือ อุปกรณ์เหล่านี้สามารถเชื่อมต่อขนาดท่อ 2 นิ้วใด ๆ และมีช่วงความดันระหว่าง 500-1000 psi โดยมีอุณหภูมิตั้งแต่-65˚ถึง250˚ Fahrenheit นอกจากนี้ยังมีขนาดตั้งแต่ 1/8” ถึง 6”. 3200# Extender Adapter Fitting ได้รับการออกแบบมาสำหรับแอปพลิเคชันที่มีขนาดท่อตั้งแต่ 1/2 "ถึง 2" มันมีร่างกายที่ทำจากบรอนซ์ที่ให้การป้องกันการกัดกร่อนดังนั้นการติดตั้งสามารถใช้ในระดับความดันน้ำต่างๆ ปลายผู้หญิงเป็นเกลียวและมีสกรูสามชุด

ติดต่อกับเรา

เกี่ยวกับ ขากรรไกร

Legines Industrial Machinery Inc.

ในฐานะผู้ผลิตอุปกรณ์ติดตั้งทองเหลืองจีนมืออาชีพและผลักดันให้ซัพพลายเออร์อุปกรณ์เข้าใช้เครื่องจักรกลการตัดเฉือน CNC เต็มรูปแบบและเป็นเจ้าของพื้นที่การประชุมเชิงปฏิบัติการ 3600 ตารางเมตร 45 เครื่องมือเครื่องจักรอัตโนมัติเครื่องมือเครื่องจักรซีเอ็นซีแบบกึ่งอัตโนมัติ 35 ตัวรวมถึงผู้จัดจำหน่ายที่กลายเป็นซัพพลายเออร์ที่สำคัญสำหรับการผลิตชิ้นส่วนทองเหลืองมาตรฐานอเมริกันในประเทศจีน ...
  • ให้เกียรติ
  • ให้เกียรติ

คำแนะนำ & ข่าว