legines.com
หรั่ง
3151# อุปกรณ์ทองเหลืองอุปกรณ์เสียบหัวเสียบหัวเสียบท่อ

3151# อุปกรณ์ทองเหลืองอุปกรณ์เสียบหัวเสียบหัวเสียบท่อ

คุณสมบัติของผลิตภัณฑ์: ตลาด:
การก่อสร้างทองเหลืองทั้งหมด ทางอุตสาหกรรม
ตรงตามข้อกำหนดการทำงานของ การก่อสร้าง
SAE J530 และ SAE J531 รถบรรทุกหนัก
ด้ายที่ทำตามมาตรฐาน Dryseal มือถือ
ทั้งการตีลัง โรงงาน/กระบวนการอัตโนมัติ

แอปพลิเคชัน: ท่อที่เข้ากันได้:
สายลม ทองแดง
สายน้ำ ทองเหลือง
เส้นระบายความร้อน ท่อเหล็ก

ข้อมูลจำเพาะ:
ช่วงความดันสูงถึง 1,000 psi
ช่วงอุณหภูมิ-65˚ถึง250˚F

แอปพลิเคชันทั่วไป:
จาระบีเชื้อเพลิง, LP และก๊าซธรรมชาติ, ตู้เย็น, Instrumentation และระบบไฮดรอลิก

ความสอดคล้อง:
ตรงตามข้อกำหนดและมาตรฐานของ ASA, ASME และ SAE

ส่วนอ้างอิงหมายเลข:
3151 -211p -109a -109b

ติดต่อเรา

ข้อกำหนด

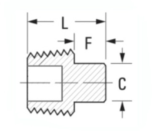
ส่วนหนึ่ง#

ขนาดด้าย

C

f

l

3151-A

1/8

.28

.24

.58

3151-B

1/8

.37

.29

.80

*3151L-B

1/4

.37

.29

.80

3151-C

3/8

.43

.32

.80

3151L-C

3/8

.43

.32

.80

3151-D

1/2

.56

.39

1.07

*3151L-D

1/2

.56

.39

1.07

3151-E

3/4

.62

.43

1.11

*3151l-e

3/4

.62

.43

1.11

*Hollow

ซีรี่ส์ 3151 ของเรามีอุปกรณ์ติดตั้งหลอดเต็มรูปแบบที่ใช้ในสายอากาศสายน้ำและระบบหล่อลื่น อุปกรณ์ทองเหลืองเหล่านี้ผลิตจาก SAE J530 และ SAE J531 วัสดุเพื่อตอบสนองความกดดันการทำงานและอุณหภูมิสำหรับอายุการใช้งานที่เชื่อถือได้ อุปกรณ์ประกอบมีทั้งการปลอมแปลงและการอัดขึ้นรูปรวมถึงครอบคลุมการชุบป้องกันการกัดกร่อนที่สามารถทาสีให้กับมาตรฐาน OEM ใด ๆ การก่อสร้างทองเหลืองทั้งหมดให้ความต้านทานการกัดกร่อนและความแข็งแรงที่เหนือกว่า การติดตั้งนี้เป็นไปตามมาตรฐาน J530 และเข้ากันได้กับเกลียวท่อแห้ง ไม่ว่าคุณจะกำลังสร้างสายการบินใหม่หรือแทนที่อุปกรณ์โลหะเก่าด้วยเทคโนโลยีที่ทันสมัยอุปกรณ์ที่ทนทานเหล่านี้จะช่วยให้คุณทำงานได้อย่างถูกต้อง
อุปกรณ์ปลั๊กหัวสี่เหลี่ยมจัตุรัสผลิตจากทองเหลืองและสามารถใช้ในแอพพลิเคชั่นที่หลากหลายรวมถึงสายระบายความร้อนสายน้ำสายอากาศและการเชื่อมต่ออิเล็กทรอนิกส์ การติดตั้งแต่ละแบบเข้ากันได้กับท่อทองแดงหรือท่อเหล็กรวมถึงท่อทองเหลือง

ติดต่อกับเรา

เกี่ยวกับ ขากรรไกร

Legines Industrial Machinery Inc.

ในฐานะผู้ผลิตอุปกรณ์ติดตั้งทองเหลืองจีนมืออาชีพและผลักดันให้ซัพพลายเออร์อุปกรณ์เข้าใช้เครื่องจักรกลการตัดเฉือน CNC เต็มรูปแบบและเป็นเจ้าของพื้นที่การประชุมเชิงปฏิบัติการ 3600 ตารางเมตร 45 เครื่องมือเครื่องจักรอัตโนมัติเครื่องมือเครื่องจักรซีเอ็นซีแบบกึ่งอัตโนมัติ 35 ตัวรวมถึงผู้จัดจำหน่ายที่กลายเป็นซัพพลายเออร์ที่สำคัญสำหรับการผลิตชิ้นส่วนทองเหลืองมาตรฐานอเมริกันในประเทศจีน ...
  • ให้เกียรติ
  • ให้เกียรติ

คำแนะนำ & ข่าว