legines.com
หรั่ง
54# SAE 45 ° Flare Brass Fittings ปลอมแปลง 45 °ชายข้อศอก

54# SAE 45 ° Flare Brass Fittings ปลอมแปลง 45 °ชายข้อศอก

คุณสมบัติของผลิตภัณฑ์:
การก่อสร้างทองเหลืองทั้งหมด
ต่อต้านการสั่นสะเทือนด้วยการใช้น็อตยาว
รายชื่อ UL
ข้อกำหนดการทำงานของ SAE J512 และ J513


ตลาด: แอปพลิเคชัน:
การแช่แข็ง สายสารทำความเย็น
รถบรรทุกหนัก โพรเพน
มือถือ เชื้อเพลิง
ทางอุตสาหกรรม อะแดปเตอร์
ความร้อน ก๊าซธรรมชาติ
เครื่องปรับอากาศ

ส่วนอ้างอิงหมายเลข:
E415 -654F -47 -54 -59FF -4945 -159F -254 -10448-10459

ติดต่อเรา

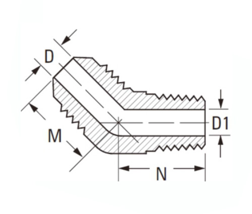
ข้อกำหนด

ส่วนหนึ่ง#

Flare O.d × Thared

D

D1

ม.

n

54-4A

1/4 × 1/8

.189

.219

.67

.64

54-4B

1/4 × 1/4

.189

.312

.75

.86

54-5A

5/16 × 1/8

.219

.219

.78

.64

54-5B

5/16 × 1/4

.219

.312

.81

.86

54-6B

3/8 × 1/4

.282

.312

.91

.86

54-6C

3/8 × 3/8

.282

.438

.93

.94

54-6D

3/8 × 1/2

.282

.562

.99

1.17

54-8C

1/2 × 3/8

.408

.438

1.07

.88

54-8D

1/2 × 1/2

.408

.562

1.12

1.17

54-10C

5/8 × 3/8

.500

.438

1.13

.95

54-10D

5/8 × 1/2

.500

.562

1.13

1.17

54-12D

3/4 × 1/2

.625

.750

1.28

1.17

54-12E

3/4 × 3/4

.625

.750

1.41

1.20

*Ref.SAE No.010302

นี่คือ SAE 45 ° Flare Brass Vitting ที่มีข้อศอกชาย 45 ° Forged 45 °การก่อสร้างทองเหลืองทำให้การปรับความน่าเชื่อถือและทนทานสูง ข้อกำหนดการทำงานของ SAE J512 และ J513 นั้นได้รับการตอบสนองด้วยการติดตั้งนี้ในขณะที่การใช้น็อตยาวช่วยลดการสั่นสะเทือนด้วยการใช้งาน

ติดต่อกับเรา

เกี่ยวกับ ขากรรไกร

Legines Industrial Machinery Inc.

ในฐานะผู้ผลิตอุปกรณ์ติดตั้งทองเหลืองจีนมืออาชีพและผลักดันให้ซัพพลายเออร์อุปกรณ์เข้าใช้เครื่องจักรกลการตัดเฉือน CNC เต็มรูปแบบและเป็นเจ้าของพื้นที่การประชุมเชิงปฏิบัติการ 3600 ตารางเมตร 45 เครื่องมือเครื่องจักรอัตโนมัติเครื่องมือเครื่องจักรซีเอ็นซีแบบกึ่งอัตโนมัติ 35 ตัวรวมถึงผู้จัดจำหน่ายที่กลายเป็นซัพพลายเออร์ที่สำคัญสำหรับการผลิตชิ้นส่วนทองเหลืองมาตรฐานอเมริกันในประเทศจีน ...
  • ให้เกียรติ
  • ให้เกียรติ

คำแนะนำ & ข่าว