legines.com
หรั่ง
42# SAE 45 ° Flare Connector Brass Flare Fittings

42# SAE 45 ° Flare Connector Brass Flare Fittings

คุณสมบัติของผลิตภัณฑ์:
การก่อสร้างทองเหลืองทั้งหมด
ต่อต้านการสั่นสะเทือนด้วยการใช้น็อตยาว
รายชื่อ UL
ข้อกำหนดการทำงานของ SAE J512 และ J513


ตลาด: แอปพลิเคชัน:
การแช่แข็ง สายสารทำความเย็น
รถบรรทุกหนัก โพรเพน
มือถือ เชื้อเพลิง
ทางอุตสาหกรรม อะแดปเตอร์
ความร้อน ก๊าซธรรมชาติ
เครื่องปรับอากาศ

ส่วนอ้างอิงหมายเลข:
46 -U3 -10227-10248

ติดต่อเรา

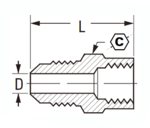
ข้อกำหนด

ส่วนหนึ่ง#

Flare O.d × Thread

C

D

l

46-3A

3/16 × 1/8

9/16

.126

.58

46-4A

1/4 × 1/8

9/16

.189

.69

46-4B

1/4 × 1/4

11/16

.189

.79

46L-4B

1/4 × 1/4

11/16

.189

.88

46-4C

1/4 × 3/8

13/16

.189

1.06

46-4D

1/4 × 1/2

15/16

.189

1.31

46-5A

5/16 × 1/8

5/8

.219

1.38

46-5B

5/16 × 1/4

11/16

.219

1.44

46-5C

5/16 × 3/8

13/16

.219

1.69

46-6a

3/8 × 1/8

5/8

.282

1.88

46-6B

3/8 × 1/4

11/16

.282

1.87

46L-6B

3/8 × 1/4

13/16

.282

1.31

46-6C

3/8 × 3/8

13/16

.282

1.44

46-6D

3/8 × 1/2

1 "

.282

1.69

46L-6D

3/8 × 1/2

15/16

.282

1.44

46-8B

1/2 × 1/4

3/4

.408

1.60

46-8C

1/2 × 3/8

13/16

.408

1.62

46L-8C

1/2 × 3/8

13/16

.408

1.46

46-8D

1/2 × 1/2

1 "

.408

1.73

46L-8D

1/2 × 1/2

7/8

.408

1.62

46-8E

1/2 × 3/4

1-3/16

.408

1.75

46-10C

5/8 × 3/8

7/8

.500

1.79

46-10D

5/8 × 1/2

1 "

.500

1.98

46-12D

3/4 × 1/2

1-3/16

.625

2.17

46-12E

3/4 × 3/4

1-3/16

.625

2.08

"L" หมายถึงรูปแบบแสง

อุปกรณ์เหล่านี้สามารถใช้แทนกันได้อย่างสมบูรณ์ด้วยอุปกรณ์ลวดลายเต็มรูปแบบ

การดัดแปลงนี้มักจะอยู่ในความยาวของเกลียวท่อที่ใช้ในการประปาและการใช้งานอุตสาหกรรมแสง

*ข้อมูลมิติสามารถเปลี่ยนแปลงได้โดยไม่ต้องแจ้งให้ทราบล่วงหน้า

*Ref.SAE No.010103

ขั้วต่อ Flare SAE 45 °ได้รับการออกแบบมาสำหรับการใช้งานแบบแสงถึงกลางที่ต้องการความน่าเชื่อถือสูง 46-U3 ใช้สำหรับแรงดันสูงสุด 10,000 psi โดยใช้ท่อยางไนไตรล์กับซับ neoprene ตัวเชื่อมต่อนี้มีถั่วหนักซึ่งต่อต้านการสั่นสะเทือนและยืดอายุการใช้งานผลิตภัณฑ์ Flare Flare Flare SAE ใช้วงแหวนล็อคดาบปลายปืนที่ไม่ต้องใช้เครื่องมือพิเศษในการแทนที่ความเหมาะสมในกรณีที่เกิดความล้มเหลวหรือการบำรุงรักษา

ติดต่อกับเรา

เกี่ยวกับ ขากรรไกร

Legines Industrial Machinery Inc.

ในฐานะผู้ผลิตอุปกรณ์ติดตั้งทองเหลืองจีนมืออาชีพและผลักดันให้ซัพพลายเออร์อุปกรณ์เข้าใช้เครื่องจักรกลการตัดเฉือน CNC เต็มรูปแบบและเป็นเจ้าของพื้นที่การประชุมเชิงปฏิบัติการ 3600 ตารางเมตร 45 เครื่องมือเครื่องจักรอัตโนมัติเครื่องมือเครื่องจักรซีเอ็นซีแบบกึ่งอัตโนมัติ 35 ตัวรวมถึงผู้จัดจำหน่ายที่กลายเป็นซัพพลายเออร์ที่สำคัญสำหรับการผลิตชิ้นส่วนทองเหลืองมาตรฐานอเมริกันในประเทศจีน ...
  • ให้เกียรติ
  • ให้เกียรติ

คำแนะนำ & ข่าว