legines.com
หรั่ง
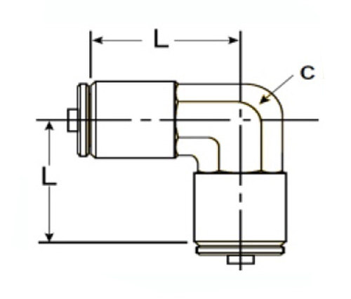
ค.ศ. 1565 กดที่ข้อศอกของอุปกรณ์เชื่อมต่อ

ค.ศ. 1565 กดที่ข้อศอกของอุปกรณ์เชื่อมต่อ

คุณสมบัติของผลิตภัณฑ์:
คอลเล็ตทองเหลือง
Buna n o-ring
รองรับท่อสแตนเลส
พบกับ D.O.T. FMVSS571.106
พบกับ SAE J2494 & SAE J2494-3

ตลาด:
รถบรรทุกหนัก
รถเทรลเลอร์
มือถือ

แอปพลิเคชัน:
เบรกอากาศ
ถังอากาศ
ขี่อากาศ
ตัวเลื่อน
อัตราเงินเฟ้อของยาง
เส้นประถมศึกษาและทุติยภูมิ

ท่อที่เข้ากันได้:
SAE J844 Type A & B Nylon ท่อ

ส่วนอ้างอิงหมายเลข:
AQ65DOT -165PMT -1865 -DQ65DOT -1565 -DOT

ติดต่อเรา

ข้อกำหนด

ส่วนหนึ่ง# Tube O.D C l
ค.ศ. 1565-DOT-4 1/4 3/8 .92
ค.ศ. 1565-DOT-6 3/8 1/2 .96
ค.ศ. 1565-DOT-8 1/2 5/8 1.16
ค.ศ. 1565-DOT-10 5/8 11/16 1.19
ค.ศ. 1565-DOT-12 3/4 15/16 1.40

ดันเข้ากับ SAE J844 Type A, B, C และ D ท่อไนล่อน ใช้กับ Buna O-Ring และท่อสแตนเลสเพื่อให้สามารถติดตั้งท่อที่ปลอดภัยเช่นเบรกอากาศสายพวงมาลัยเพาเวอร์และอื่น ๆ การติดตั้งนั้นผลิตด้วยวัสดุที่มีคุณภาพสูงเพื่อให้แน่ใจว่าการทำงานที่เหมาะสมและอายุการใช้งานยาวนาน 1565 การผลักดันข้อศอกข้อศอกเชื่อมต่อเป็นอุปกรณ์ที่ใช้กับท่อยาง มันมีคอลเล็ตทองเหลือง การติดตั้งนี้ผลิตโดย TUSA P/N: 1565-DOT อุปกรณ์เชื่อมต่อแบบ pneumatic ใช้ร่วมกับท่อเพื่อสร้างชุดประกอบที่ปราศจากสิ่งกีดขวางถาวรหรือชั่วคราวที่ใช้ส่วนประกอบนิวเมติกมาตรฐาน

ติดต่อกับเรา

เกี่ยวกับ ขากรรไกร

Legines Industrial Machinery Inc.

ในฐานะผู้ผลิตอุปกรณ์ติดตั้งทองเหลืองจีนมืออาชีพและผลักดันให้ซัพพลายเออร์อุปกรณ์เข้าใช้เครื่องจักรกลการตัดเฉือน CNC เต็มรูปแบบและเป็นเจ้าของพื้นที่การประชุมเชิงปฏิบัติการ 3600 ตารางเมตร 45 เครื่องมือเครื่องจักรอัตโนมัติเครื่องมือเครื่องจักรซีเอ็นซีแบบกึ่งอัตโนมัติ 35 ตัวรวมถึงผู้จัดจำหน่ายที่กลายเป็นซัพพลายเออร์ที่สำคัญสำหรับการผลิตชิ้นส่วนทองเหลืองมาตรฐานอเมริกันในประเทศจีน ...
  • ให้เกียรติ
  • ให้เกียรติ

คำแนะนำ & ข่าว