legines.com
หรั่ง
24m Presto Manifold

24m Presto Manifold

คุณสมบัติของผลิตภัณฑ์:
คอลเล็ตทองเหลือง
Buna n o-ring
รองรับท่อสแตนเลส
พบกับ D.O.T. FMVSS571.106
พบกับ SAE J2494-3
คอมโพสิตตัว - แข็งแรงน้ำหนักเบากะทัดรัดและทนต่อแรงกระแทก
การกำหนดค่าปลั๊กอิน

ตลาด:
รถบรรทุกหนัก
รถเทรลเลอร์
มือถือ

แอปพลิเคชัน:
เบรกอากาศ
ถังอากาศ
ขี่อากาศ
ตัวเลื่อน
อัตราเงินเฟ้อของยาง
เส้นประถมศึกษาและทุติยภูมิ
รถแท็กซี่ควบคุม

ติดต่อเรา

ข้อกำหนด

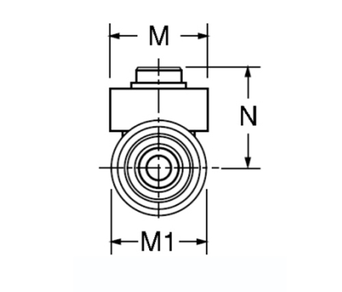
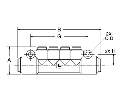
ส่วนหนึ่ง

เลขที่

Tube O.d

lnlet

Tube O.D

ทางออก

อัน D ชม ม. M1 n
24m-4-4 1/4 1/4 1.33 3.98 .21 2.75 .53 .90 .88 .89
24m-6-4 3/8 1/4 1.33 4.00 .21 2.75 .53 .90 .88 .89
24m-6-6 3/8 3/8 1.65 6.49 .22 4.55 .60 1.02 1.02 1.33
24m-8-8 1/2 1/2 1.65 6.49 .22 4.55 .60 1.02 1.02 1.33
24m-8-6-4-4-6-8 1/2 3/8 & 1/4 1.65 6.49 .22 4.55 .60 1.02 1.02 1.17

24M Presto Manifold ถูกสร้างขึ้นเพื่อให้บริการง่ายรวดเร็วและเชื่อถือได้ ร่างกายคอมโพสิตที่มีความแข็งแรงน้ำหนักเบาทนต่อแรงกระแทกและการออกแบบขนาดกะทัดรัดให้ความแข็งแรงในขณะที่ลดจำนวนมาก Manifold 24M Presto ได้รับการออกแบบมาเพื่อตอบสนอง D.O.T FMVSS571.106, SAE J2494-3 ข้อกำหนดสำหรับการใช้งานแรงดันสูง ความสามารถในการเล่นและการเล่นของมันช่วยให้สามารถใช้งานได้ดีที่สุดในแอปพลิเคชันใด ๆ

ติดต่อกับเรา

เกี่ยวกับ ขากรรไกร

Legines Industrial Machinery Inc.

ในฐานะผู้ผลิตอุปกรณ์ติดตั้งทองเหลืองจีนมืออาชีพและผลักดันให้ซัพพลายเออร์อุปกรณ์เข้าใช้เครื่องจักรกลการตัดเฉือน CNC เต็มรูปแบบและเป็นเจ้าของพื้นที่การประชุมเชิงปฏิบัติการ 3600 ตารางเมตร 45 เครื่องมือเครื่องจักรอัตโนมัติเครื่องมือเครื่องจักรซีเอ็นซีแบบกึ่งอัตโนมัติ 35 ตัวรวมถึงผู้จัดจำหน่ายที่กลายเป็นซัพพลายเออร์ที่สำคัญสำหรับการผลิตชิ้นส่วนทองเหลืองมาตรฐานอเมริกันในประเทศจีน ...
  • ให้เกียรติ
  • ให้เกียรติ

คำแนะนำ & ข่าว