legines.com
หรั่ง
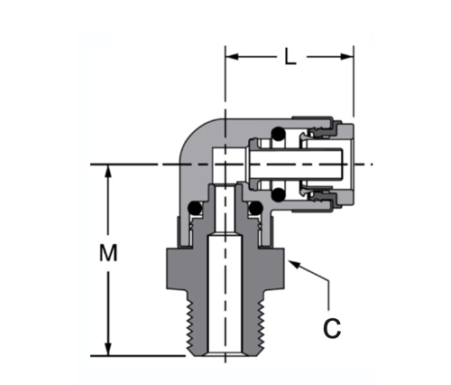
369ptc ข้อศอกชายหมุน 90 °

369ptc ข้อศอกชายหมุน 90 °

คุณสมบัติของผลิตภัณฑ์:
คอลเล็ตทองเหลือง
Buna n o-ring
รองรับท่อสแตนเลส
พบกับ D.O.T. FMVSS571.106
พบกับ SAE J2494-3
คอมโพสิตตัว - แข็งแรงน้ำหนักเบากะทัดรัดและทนต่อแรงกระแทก
การกำหนดค่าปลั๊กอิน

ตลาด:
รถบรรทุกหนัก
รถเทรลเลอร์
มือถือ

แอปพลิเคชัน:
เบรกอากาศ
ถังอากาศ
ขี่อากาศ
ตัวเลื่อน
อัตราเงินเฟ้อของยาง
เส้นประถมศึกษาและทุติยภูมิ
รถแท็กซี่ควบคุม

ติดต่อเรา

ข้อกำหนด

ส่วนอ้างอิงหมายเลข:

ส่วนหนึ่ง# ขนาดหลอด x ชาย nptf C ม. l W.G ราคา
369ptc-4a 1/4 × 1/8 9/16 .69 .69
369ptc-4b 1/4 × 1/4 9/16 .69 1.20
369ptc-4c 1/4 × 3/8 9/16 .69 1.20
369ptc-6a 3/8 × 1/8 3/4 .99 1.13
369ptc-6b 3/8 × 1/4 3/4 .99 1.28
369ptc-6c 3/8 × 3/8 3/4 .99 1.28
369ptc-6d 3/8 × 1/2 3/4 .99 1.47
369ptc-8b 1/2 × 1/4 15/16 1.11 1.39
369ptc-6c 1/2 × 3/8 15/16 1.11 1.39
369ptc-6d 1/2 × 1/2 15/16 1.11 1.58
369ptc-10c 5/8 × 3/8 1-1/16 1.33 1.60
369ptc-10d 5/8 × 1/2 1-1/16 1.33 1.79
369ptc-12d 3/4 × 1/2 1-3/16 1.52 1.89
369ptc-12e 3/4x3/4 1-3/16 1.52 1.89

ข้อศอกชาย 369PTC เป็นขั้วต่อที่มีคุณภาพสูงและทดสอบได้อย่างเต็มที่พร้อมคอลเล็ตโลหะ Buna n O-Ring และท่อสแตนเลส มันพบกับ D.O.T. FMVSS571.106 มาตรฐานและ SAE J2494-3 มาตรฐานสำหรับการดำเนินการหมุน 360 °ที่ราบรื่น การกำหนดค่าปลั๊กอินมีร่างกายคอมโพสิต-แข็งแรงน้ำหนักเบากะทัดรัดและทนต่อแรงกระแทก

ติดต่อกับเรา

เกี่ยวกับ ขากรรไกร

Legines Industrial Machinery Inc.

ในฐานะผู้ผลิตอุปกรณ์ติดตั้งทองเหลืองจีนมืออาชีพและผลักดันให้ซัพพลายเออร์อุปกรณ์เข้าใช้เครื่องจักรกลการตัดเฉือน CNC เต็มรูปแบบและเป็นเจ้าของพื้นที่การประชุมเชิงปฏิบัติการ 3600 ตารางเมตร 45 เครื่องมือเครื่องจักรอัตโนมัติเครื่องมือเครื่องจักรซีเอ็นซีแบบกึ่งอัตโนมัติ 35 ตัวรวมถึงผู้จัดจำหน่ายที่กลายเป็นซัพพลายเออร์ที่สำคัญสำหรับการผลิตชิ้นส่วนทองเหลืองมาตรฐานอเมริกันในประเทศจีน ...
  • ให้เกียรติ
  • ให้เกียรติ

คำแนะนำ & ข่าว