legines.com
หรั่ง
3750# อุปกรณ์ทองเหลืองสำหรับผู้ชายวิ่งไปท่อทองเหลือง

3750# อุปกรณ์ทองเหลืองสำหรับผู้ชายวิ่งไปท่อทองเหลือง

คุณสมบัติของผลิตภัณฑ์: ตลาด:
การก่อสร้างทองเหลืองทั้งหมด ทางอุตสาหกรรม
ตรงตามข้อกำหนดการทำงานของ การก่อสร้าง
SAE J530 และ SAE J531 รถบรรทุกหนัก
ด้ายที่ทำตามมาตรฐาน Dryseal มือถือ
ทั้งการตีลัง โรงงาน/กระบวนการอัตโนมัติ

แอปพลิเคชัน: ท่อที่เข้ากันได้:
สายลม ทองแดง
สายน้ำ ทองเหลือง
เส้นระบายความร้อน ท่อเหล็ก

ข้อมูลจำเพาะ:
ช่วงความดันสูงถึง 1,000 psi
ช่วงอุณหภูมิ-65˚ถึง250˚F

แอปพลิเคชันทั่วไป:
จาระบีเชื้อเพลิง, LP และก๊าซธรรมชาติ, ตู้เย็น, Instrumentation และระบบไฮดรอลิก

ความสอดคล้อง:
ตรงตามข้อกำหนดและมาตรฐานของ ASA, ASME และ SAE

ส่วนอ้างอิงหมายเลข:
2225P -225 -3750 -326 -225 -127A -28245 ~ 28249

ติดต่อเรา

ข้อกำหนด

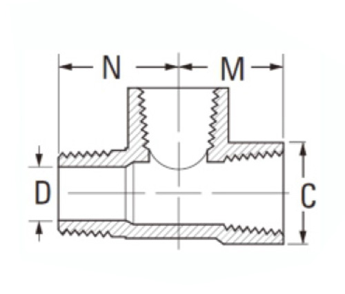
ส่วนหนึ่ง#

ขนาดด้าย

C

d

ม.

n

3750-A

1/8

9/16

.219

.55

.66

3750-B

1/4

11/16

.312

.78

.90

3750-C

3/8

13/16

.438

.84

.97

3750-D

1/2

1 "

.562

1.09

1.25

3750-E

3/4

1 "-1/4

.750

1.38

1.38

*ref.sae.no.130424

#3750 Male Run Tee Tee Fittings ผลิตจากทองเหลืองและตอบสนองความต้องการของอุตสาหกรรมระบบอัตโนมัติโรงงาน/กระบวนการและแอพพลิเคชั่นมือถือ พวกเขาให้การเชื่อมต่อสำหรับสายอากาศที่มีแรงดัน ท่อที่เข้ากันได้มีอยู่ในทองแดงทองเหลืองและท่อเหล็ก ตลาดรวมถึงการก่อสร้างตลาดรถบรรทุกอุตสาหกรรมและหนัก วัสดุที่เข้ากันได้ ได้แก่ สายอากาศสายน้ำและสายเย็นอุปกรณ์ทองเหลืองเหล่านี้มาในตัวผู้และตัวเมียเพื่อความสะดวกของคุณ วัสดุมีความแข็งแรงพอที่จะยืนขึ้นเพื่อรั่วไหลและแรงทำให้เหมาะสำหรับสภาพอากาศทุกสภาพอากาศ  การติดตั้งแต่ละแบบนั้นทำจากท่อทองแดงทองเหลืองและวัสดุคุณภาพอื่น ๆ ที่นำความแข็งแรงความทนทานและอายุการใช้งานที่ยาวนานมาใช้กับชิ้นส่วน

ติดต่อกับเรา

เกี่ยวกับ ขากรรไกร

Legines Industrial Machinery Inc.

ในฐานะผู้ผลิตอุปกรณ์ติดตั้งทองเหลืองจีนมืออาชีพและผลักดันให้ซัพพลายเออร์อุปกรณ์เข้าใช้เครื่องจักรกลการตัดเฉือน CNC เต็มรูปแบบและเป็นเจ้าของพื้นที่การประชุมเชิงปฏิบัติการ 3600 ตารางเมตร 45 เครื่องมือเครื่องจักรอัตโนมัติเครื่องมือเครื่องจักรซีเอ็นซีแบบกึ่งอัตโนมัติ 35 ตัวรวมถึงผู้จัดจำหน่ายที่กลายเป็นซัพพลายเออร์ที่สำคัญสำหรับการผลิตชิ้นส่วนทองเหลืองมาตรฐานอเมริกันในประเทศจีน ...
  • ให้เกียรติ
  • ให้เกียรติ

คำแนะนำ & ข่าว