legines.com
หรั่ง
3600# อุปกรณ์ทองเหลือง Branch Branch Fittings

3600# อุปกรณ์ทองเหลือง Branch Branch Fittings

คุณสมบัติของผลิตภัณฑ์: ตลาด:
การก่อสร้างทองเหลืองทั้งหมด ทางอุตสาหกรรม
ตรงตามข้อกำหนดการทำงานของ การก่อสร้าง
SAE J530 และ SAE J531 รถบรรทุกหนัก
ด้ายที่ทำตามมาตรฐาน Dryseal มือถือ
ทั้งการตีลัง โรงงาน/กระบวนการอัตโนมัติ

แอปพลิเคชัน: ท่อที่เข้ากันได้:
สายลม ทองแดง
สายน้ำ ทองเหลือง
เส้นระบายความร้อน ท่อเหล็ก

ข้อมูลจำเพาะ:
ช่วงความดันสูงถึง 1,000 psi
ช่วงอุณหภูมิ-65˚ถึง250˚F

แอปพลิเคชันทั่วไป:
จาระบีเชื้อเพลิง, LP และก๊าซธรรมชาติ, ตู้เย็น, Instrumentation และระบบไฮดรอลิก

ความสอดคล้อง:
ตรงตามข้อกำหนดและมาตรฐานของ ASA, ASME และ SAE

ส่วนอ้างอิงหมายเลข:
2224p -3600 -T9 -x106 -226 -329 -128 -28281 ~ 28285

ติดต่อเรา

ข้อกำหนด

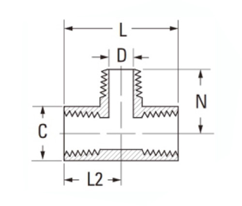
ส่วนหนึ่ง# ขนาดด้าย C d L2 n
3600-A F1/8 × M1/8 9/16 .219 1.10 .66
3600-B F1/4 × M1/4 11/16 .315 1.56 .91
3600-C F3/8 × M3/8 13/16 .438 1.68 .97
3600-D F1/2 × M1/2 1 " .562 2.18 1.25
3600-E F3/4 × M3/4 1 "-1/4 .750 2.31 1.38

*Ref.SAE No.130425

อุปกรณ์ทีฟ์สาขาหนักทำจากทองเหลืองเกจวัดหนักผลิตตามมาตรฐาน SAE J530 และ SAE J531 พวกเขามีให้เลือกทั้งในการตีลังกาและการ extrusions ซึ่งทำให้เรามีความเก่งกาจในการเสนอตัวเลือกที่หลากหลายสำหรับลูกค้าของเรา สร้างขึ้นด้วยการจัดอันดับความดันและอุณหภูมิเสื้อยืดสาขาเหล่านี้เหมาะสำหรับใช้ในกระบวนการอุตสาหกรรมแทบทุกชนิด ทั้งสองแบรนด์ของท่อสามารถใช้งานได้สำเร็จด้วยการติดตั้งที่เหมาะสมสายทองแดงและทองเหลืองสาขา Tee Tee ช่วยให้คุณมีคุณภาพที่เหนือกว่าและประสิทธิภาพที่เชื่อถือได้ในช่วงที่กว้างที่สุดของแอปพลิเคชัน วิศวกรที่ผ่านการรับรองของเราสามารถช่วยคุณเลือกผลิตภัณฑ์ที่ดีที่สุดหรือออกแบบระบบเพื่อตอบสนองความต้องการเฉพาะของคุณ

ติดต่อกับเรา

เกี่ยวกับ ขากรรไกร

Legines Industrial Machinery Inc.

ในฐานะผู้ผลิตอุปกรณ์ติดตั้งทองเหลืองจีนมืออาชีพและผลักดันให้ซัพพลายเออร์อุปกรณ์เข้าใช้เครื่องจักรกลการตัดเฉือน CNC เต็มรูปแบบและเป็นเจ้าของพื้นที่การประชุมเชิงปฏิบัติการ 3600 ตารางเมตร 45 เครื่องมือเครื่องจักรอัตโนมัติเครื่องมือเครื่องจักรซีเอ็นซีแบบกึ่งอัตโนมัติ 35 ตัวรวมถึงผู้จัดจำหน่ายที่กลายเป็นซัพพลายเออร์ที่สำคัญสำหรับการผลิตชิ้นส่วนทองเหลืองมาตรฐานอเมริกันในประเทศจีน ...
  • ให้เกียรติ
  • ให้เกียรติ

คำแนะนำ & ข่าว