legines.com
หรั่ง
3500# อุปกรณ์ทองเหลือง 90 องศาข้อศอกท่อ

3500# อุปกรณ์ทองเหลือง 90 องศาข้อศอกท่อ

คุณสมบัติของผลิตภัณฑ์: ตลาด:
การก่อสร้างทองเหลืองทั้งหมด ทางอุตสาหกรรม
ตรงตามข้อกำหนดการทำงานของ การก่อสร้าง
SAE J530 และ SAE J531 รถบรรทุกหนัก
ด้ายที่ทำตามมาตรฐาน Dryseal มือถือ
ทั้งการตีลัง โรงงาน/กระบวนการอัตโนมัติ

แอปพลิเคชัน: ท่อที่เข้ากันได้:
สายลม ทองแดง
สายน้ำ ทองเหลือง
เส้นระบายความร้อน ท่อเหล็ก

ข้อมูลจำเพาะ:
ช่วงความดันสูงถึง 1,000 psi
ช่วงอุณหภูมิ-65˚ถึง250˚F

แอปพลิเคชันทั่วไป:
จาระบีเชื้อเพลิง, LP และก๊าซธรรมชาติ, ตู้เย็น, Instrumentation และระบบไฮดรอลิก

ความสอดคล้อง:
ตรงตามข้อกำหนดและมาตรฐานของ ASA, ASME และ SAE

ส่วนอ้างอิงหมายเลข:
2200p -3500 -302 -200 -28001 ถึง 28005 -100

ติดต่อเรา

ข้อกำหนด

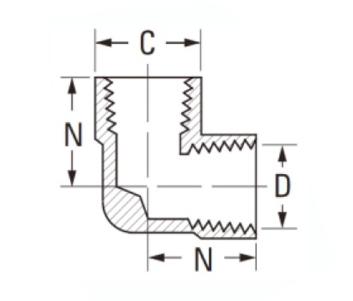
ส่วนหนึ่ง# ขนาดด้าย C d n n
3500-A 1/8 × 1/8 9/16 .219 .66 .47
3,500-B 1/4 × 1/4 11/16 .315 .91 .72
3500-C 3/8 × 3/8 13/16 .438 .97 .78
3500-D 1/2 × 1/2 1 " .562 1.25 1.03
3500-E 3/4 × 3/4 1 "-1/4 .750 1.38 1.12

Ref.SAE No.130238

ผลิตจากทองเหลืองข้อศอก 90 องศาของเราผลิตขึ้นเพื่อตอบสนองความต้องการของการใช้งานอุตสาหกรรมและการก่อสร้าง ทองเหลืองปลอมแปลงมีความทนทานมากขึ้นยากและมีโอกาสน้อยกว่าที่จะโค้งงอกว่าผลิตภัณฑ์ที่อัดแน่น อุปกรณ์บรอนซ์ของเรายังมีความต้านทานต่อการสั่นสะเทือนและการสั่นสะเทือนที่ดีขึ้น เรานำเสนออุปกรณ์ทั้งท่อปลอมแปลงและเครื่องอัดรีดสำหรับโครงการในการใช้งานในอุตสาหกรรมทั้งหมดรวมถึงสายการบินสายน้ำสายเย็นและอื่น ๆ อุปกรณ์ทองเหลืองผลิตด้วยมาตรฐานคุณภาพสูงสุด จากกระบวนการปลอมไปจนถึงการทำเกลียวและการสิ้นสุดการสิ้นสุดแต่ละขั้นตอนจะถูกตรวจสอบด้วยเครื่องมือที่แม่นยำ อุปกรณ์เหล่านี้ตรงตามข้อกำหนดการทำงานของ SAE J530 และ SAE J531 ในขณะที่เข้ากันได้กับ SAE SAE SAE J514 และ ASME B16.21 ข้อศอก 90 องศาของเราผลิตจากทองเหลืองคุณภาพสูงให้โครงสร้างที่แข็งแรงและทนทาน เรานำเสนอทั้งตัวเลือกการติดตั้งโรงงานและรถบรรทุกที่มีการกำหนดค่า Barb สองแบบที่แตกต่างกันเพื่อรองรับขนาดท่อเจาะขนาดใหญ่ ไม่ว่าคุณกำลังมองหาการเปลี่ยนหรือต้องการอัพเกรดระบบของคุณ Crouse-Hinds สามารถช่วยได้

ติดต่อกับเรา

เกี่ยวกับ ขากรรไกร

Legines Industrial Machinery Inc.

ในฐานะผู้ผลิตอุปกรณ์ติดตั้งทองเหลืองจีนมืออาชีพและผลักดันให้ซัพพลายเออร์อุปกรณ์เข้าใช้เครื่องจักรกลการตัดเฉือน CNC เต็มรูปแบบและเป็นเจ้าของพื้นที่การประชุมเชิงปฏิบัติการ 3600 ตารางเมตร 45 เครื่องมือเครื่องจักรอัตโนมัติเครื่องมือเครื่องจักรซีเอ็นซีแบบกึ่งอัตโนมัติ 35 ตัวรวมถึงผู้จัดจำหน่ายที่กลายเป็นซัพพลายเออร์ที่สำคัญสำหรับการผลิตชิ้นส่วนทองเหลืองมาตรฐานอเมริกันในประเทศจีน ...
  • ให้เกียรติ
  • ให้เกียรติ

คำแนะนำ & ข่าว